二分频电路是什么?另一个写法实现单按钮启停控制,S7-200程序
二分频电路是什么?另一个写法实现单按钮启停控制,S7-200程序
啥是二分频电路?
答案是:分频就是用同一个时钟信号通过一定的电路结构转变成不同频率的时钟信号。而二分频就是通过有分频作用的电路结构,在时钟每触发2个周期时,电路输出1个周期信号。

重点是每触发2个动作时,电路输出1个周期信号。
而开关按下和弹开就是2个动作,实现一个输出动作。
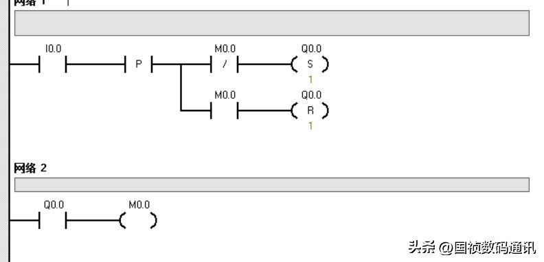
在前面的启停梯形图中就是如下的写法:

上图就是两分频电路,可以说单按钮启停都是两分频电路。
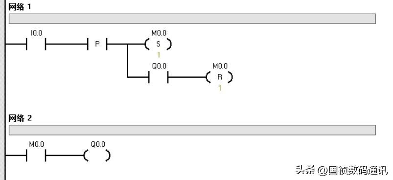
下面是另一个写法,也是可以学习的。

1、当I0.0闭合时,一个扫描周期使得M0.0置位,由于在第一个扫描周期里Q0.0还是常开,所以M0.0不会复位。
网络2在M0.0闭合后线圈Q0.0得电。
2、第二次I0.0闭合时,I0.0又产生一个扫描周期,这时候Q0.0闭合了,所以DM0.0复位。
网络2在M0.0断开后线圈Q0.0失电。
两个梯形图,你喜欢哪个呢?
欢迎留言交流。
-
- 关于女生“私密部位”小知识,女孩进来了解!男生勿入
-
2025-10-22 12:10:05
-
- 【BL】重生文6本
-
2025-10-22 12:07:49
-
- 《悄悄爱上你》女主角笛木优子东方女性美
-
2025-10-22 12:05:33
-
- 重磅!绵遂内铁路最新消息来了
-
2025-10-22 12:03:17
-
- 宣萱和古天乐拍的“私密照”流出,张张经典!图5有亮点
-
2025-10-22 12:01:01
-
- 微信悄然上线十大新表情!连你想要的“沙雕”款都有了
-
2025-10-22 11:58:45
-
- 网络语言:c位是什么意思?
-
2025-10-22 11:56:28
-
- 盛世美颜!莱昂纳多颜值巅峰时期旧照曝光
-
2025-10-22 11:54:12
-
- 三国杀女武将皮肤图(2)
-
2025-10-22 11:51:56
-
- 如何判断自己唱的是不是戏腔?
-
2025-10-22 11:49:40
-
- 少先队手抄报风采展示一
-
2025-10-21 14:54:19
-
- 香港TVB五大经典刑侦破案剧,看过的都是资深港剧迷
-
2025-10-21 14:52:03
-
- 娌堥槼浜烘敞鎰忥紒鑷潵姘村鏈嶇數璇濇敼鍙蜂簡锛?/p>
-
2025-10-21 14:49:48
-
- 马岩松:中国其实没有建筑师在设计住宅,全中国的住宅楼都一样
-
2025-10-21 14:47:32
-
- 云花溪谷一日游
-
2025-10-21 14:45:16
-
- 新车|售价4.29万元,新款东风风光330S实用型上市,7座紧凑型MPV
-
2025-10-21 14:43:01
-
- 春番《终结的炽天使》声优追加铃木达央和前野智昭
-
2025-10-21 14:40:45
-
- 黑龙江漠河一个月内出现两次红绿极光
-
2025-10-21 14:38:29
-
- 2019年“古尔邦节”西宁市区部分道路交通管制通告
-
2025-10-21 14:36:14
-
- 腾讯“QQ大会员”服务6月上线 具体细节待公布
-
2025-10-21 14:33:58



贵州两落马女厅官出镜忏悔:一人想念父母做的菜;一人带衣服投案
山西省晋城市公交线路一览表
河北省泊头市概况
我国首位亿万富翁牟其中:3度入狱,小姨子为他守了铁窗16年
山东徐氏字辈整理汇编
宣化炮院,曾是炮兵最高学府 延安精神传承至宣化,至今已有65年
诛仙番外登顶起点热搜第一,红鸾剑阵恐怖如斯,两女主粉态度不同
马化腾谈到潮汕老家,他是这样说的……
从广东网友留言看,原民办代课教师补助确实发了,没领的原因分析