电气工程图纸常见符号及意义
2026-03-28 02:29 来源:网络 点击:
电气工程图纸常见符号及意义
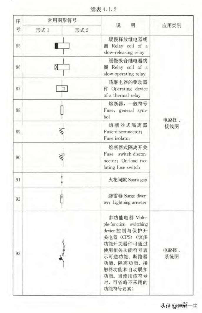
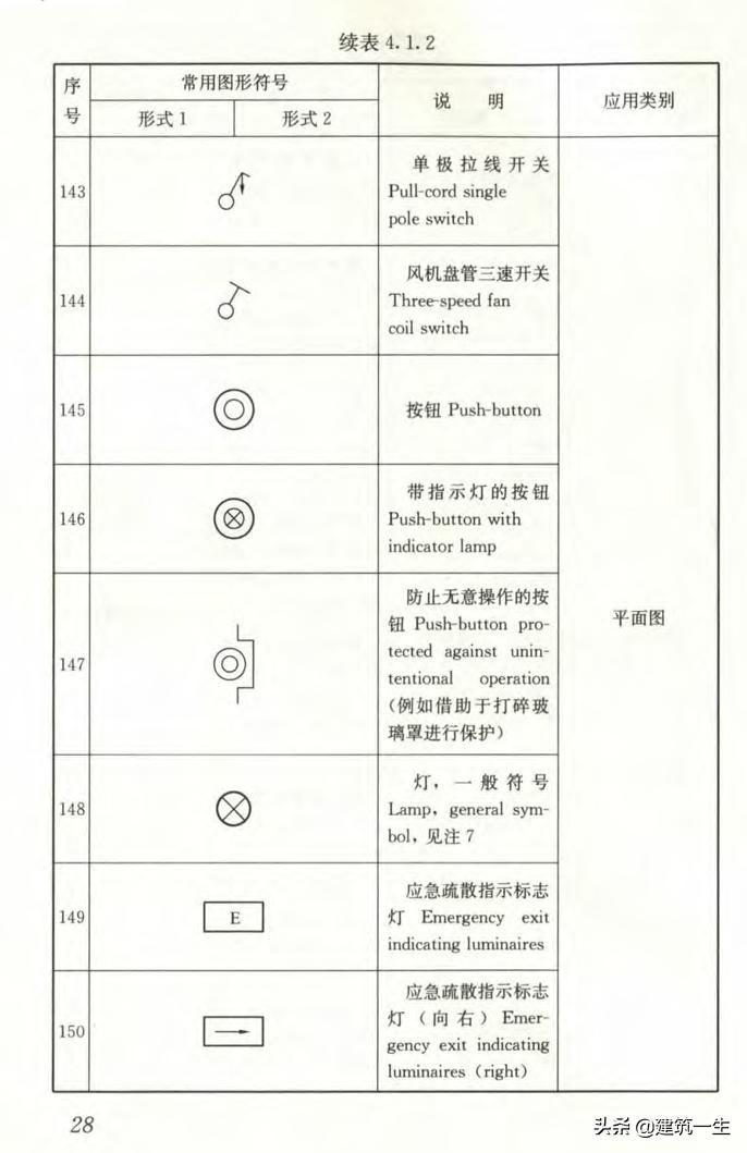
以下节选自《GB50786-2012 建筑电气制图标准》
强电图纸中的符号及意义























弱电图纸常用符号





有限电视系统图纸符号


广播系统图纸常用符号

安全技术防范系统图纸常用符号



设备监控系统图纸常用符号


图纸电气线路符号


电气设备标注样式


线缆敷设方式


灯具安装符号

供配电系统符号


设备端子和导体符号

电气设备常用参照代号的字母代码








常用辅助文字符号




电气设备辅助文字符号


信号灯和按钮颜色标识


导体的颜色标识


下载地址
相关标签:
-
- 北京必去胡同:东交民巷,最长的胡同记录着曾经的最痛
-
2026-03-28 02:27:10
-
- 一万阅读量能有多少收益?新手作者要赚钱这么做每天一百元不是梦
-
2026-03-28 02:24:56
-
- 围而不攻,围而不打,不战而屈人之兵。
-
2026-03-28 02:22:42
-
- 中秋节最简短的来历 中秋节赏月的寓意简短
-
2026-03-27 10:30:08
-
- 男孩相亲后没感觉也不讨厌(对相亲男不反感但是也没感觉)
-
2026-03-27 10:28:03
-
- 48岁大妈相亲要56岁大爷交工资,每月给女儿1000,大爷竟口吐白沫
-
2026-03-27 10:25:59
-
- 2位六旬单身老人的独白:有房有退休金还需再找老伴?完全没必要
-
2026-03-27 10:23:55
-
- 早安对女孩子幽默的问候
-
2026-03-27 10:21:50
-
- 我嫁人后爸妈第一次上门,婆婆将他们赶回家,我奖励婆婆六万元
-
2026-03-27 10:19:46
-
- 李圣杰近抖音版案牍(李圣杰最经典的歌)
-
2026-03-27 10:17:41
-
- 一个人快抑郁的表现 符合这5种表现的人
-
2026-03-27 10:15:37
-
- 心灰意冷的诗
-
2026-03-27 10:13:33
-
- 大妈相亲遇到包工头,张口就要11万,坦言:我长得漂亮值这么多钱
-
2026-03-27 10:11:28
-
- 大唐第一战神,为何被称作托塔天王,他是如何做到一生无败迹的
-
2026-03-27 05:21:19
-
- 战史上的两大奇迹-分析奇袭三所里与飞夺泸定桥有何共同点
-
2026-03-27 05:19:05
-
- 回顾2018年的快手危机,我们来找找危机背后发生的原因
-
2026-03-27 05:16:50
-
- 琼瑶曾说平鑫涛“有心机”,双方子女也在暗中博弈
-
2026-03-27 05:14:36
-
- 朝鲜2500万人,如何养活100多万人的军队?几乎家家有兵家家平等
-
2026-03-27 05:12:22
-
- 曾经让富婆沉沦的白马会所,“纸醉金迷夜夜笙歌”,结局大快人心
-
2026-03-27 05:10:08
-
- 65岁,我去新疆摘棉花,两月挣了18000,再也不想回老家了
-
2026-03-27 05:07:53



公安部长和国安部长,谁的级别更高?
石家庄金伯帆酒店被27军长打砸事件经过和真相曝光
重庆行政区划调整畅想,由21区合并为11区如何?
皮夹克(皮夹克是什么意思)
卢鑫师父郑宏伟结婚,苗阜送大红包,卢鑫一家三口和玉浩出席婚礼
各级组织部及其部长是什么级别?
二根线都是火线怎么回事 出现两根火线怎么处理?